Introduction of gas heat conduction oil furnace
常州市上能鍋爐有限公司專注研發設計制造以導熱油為介質的燃氣導熱油爐(Gas heat conduction oil furnace),其規格為(30-2000萬大卡)供熱溫度高達350℃。該產品廣泛應用于石油、化工、紡織、印染、木材及人造板等幾十個行業中<350℃的工業加熱,用以替代電、蒸汽、遠紅外熱風等加熱方式。






























Introduction of gas fired molten salt furnace
常州市上能鍋爐有限公司專注研發設計制造以熔鹽為介質的燃氣熔鹽爐(Gas fired molten salt furnace),其規格為(30-2000萬大卡)供熱溫度高達500℃;在使用溫度達到350–580℃的高溫狀態下,有機類熱載體不能使用,需使用熔鹽類熱載體。廣泛應用在固堿蒸發濃縮、三聚氰胺制取、氫氧化鋁溶出、廢液廢油高溫再生,苯酐、順酐、丙烯酸、氧化鋁、尿素、鄰苯基酚酐、乙氰、裂化油、制冷劑等化工用熱單位;
Vacuum water heater
常州市上能鍋爐有限公司專注研發設計制造低氮燃氣真空熱水鍋爐,型號規格30-600萬大卡(進/出水溫度40℃/60℃、60℃/80℃,△t=20℃,)供商業綜合體、酒店賓館、辦公樓、住宅、學校供熱采暖。供酒店、游泳館、桑拿溫泉、商業綜合體、醫院、學校、生活熱水等用途。
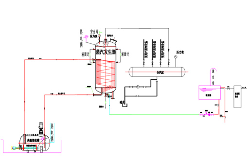
High pressure electrode hot water furnace
常州市上能鍋爐有限公司專注研發設計制造以電加熱熔鹽為介質的蒸汽發生器,產汽量0.5-4蒸噸蒸汽,用低谷電加溫熔鹽產生蒸汽,取代燃氣蒸汽鍋爐。優勢是,安全,環保,節省使用成本,不受政府部門管制。專注研發設計制造高壓浸沒式熱水電極鍋爐,是替代煤鍋爐對城市建筑供暖供熱水,夜間利用低谷電蓄熱、蓄能、24小時根據負荷變化自動供熱利用;
Introduction to tubular heating furnace
常州市上能鍋爐有限公司專注研發設計與制造管式加熱爐:管式加熱爐是利用燃料在爐膛內燃燒產生高溫火焰和煙氣,高溫火焰和煙氣作為熱源,來加熱爐管內的物料,使物料達到工藝要求的溫度。是石油煉制、石油化工、煤化工、焦油加工、原油輸送等工業中使用的工藝加熱爐。專注研發設計制造燃氣水浴式加熱爐,專為加熱天然氣或原油用的無壓熱水鍋爐,是為滿足油田特殊需要而設計的一種專用加熱設備,主要用于油氣集輸系統過程中,將原油、天然氣等加熱到工藝要求的溫度,以便進行輸送、沉降、分離、脫水和初加工。
Heat energy center
常州市上能鍋爐有限公司專注研發設計與制造以人造板企業生產過程中所產的工業廢料、鋸木、切片、樹皮、木屑以及砂光粉等作為主要燃料經燃燒爐燃燒而產生的熱能(如熱風,熱油,蒸汽等多種熱載體)熱能中心,供給企業生產用熱的熱能供給設備。
Gas hot blast stove + waste mineral oil comprehensive utilization device
常州市上能鍋爐有限公司專注研發設計制造低氮燃氣熱風爐,型號規格30-600萬大卡,熱風溫度 60~800℃,專注廢礦物油綜合利用裝置項目設計、制造、成套裝置供貨。
聯系方式
聯系人:芮亞平
手機:13815029577
郵箱:czjnguolu@163.com
郵箱:13815029577@163.com
公司地址:常州市新北區環保產業園環保八路1號
開票資料
名稱:常州市上能鍋爐有限公司
納稅人識別號(稅號):91320404688309726R
地址:常州市鐘樓區常新路8號
電話:0519-82052399
開戶行:中國農業銀行常州分行關河路支行
帳號:10-613101040009495

自2009年成立以來,一直專注燃氣導熱油爐、燃氣熔鹽爐、燃氣熱風爐、燃氣真空熱水爐、高壓電極熱水爐、能源熱能中心等熱載體爐的研發、設計、制造、銷售和售后服務。除了能提供標準的產品外,我們還能跟據客戶的實際需求,為客戶項目量身定制高品質加熱系統的成套解決方案。從用戶的實際需要出發,專門設計和制造完全適合用戶需求的用熱自動化加熱爐設備和用熱系統,以達到高效完整的效果。
A對于常州市上能鍋爐有限公司您有所了解嗎?今天常州市上能鍋爐有限公司的小編就給大家帶來關于燃油導熱油爐···
A希望大家通過本文的介紹,可以對停電時如何處理燃油燃氣導熱油爐等方面的內容有一定的認識與了解,下面就跟···
A在了解燃氣導熱油爐相關運用所講介紹中,讓大家了解了一些不為人知的問題或知識,但對"常州市上···
A常州市上能鍋爐有限公司是國內提供等產品和服務的知名公司,特此為大家介紹過該公司相關的內容,互相學習.···
A常州市上能鍋爐有限公司是國內提供等產品和服務的知名公司,特此為大家介紹過該公司相關的內容,互相學習.···
常州市上能鍋爐有限公司
常州市上能鍋爐有限公司始終堅持“質量第一,用戶至上,優質服務,信守合同”的宗旨,吸收國外先進技術和不斷自主創新,致力于熱載體爐行業,以追求“不斷進步的技術,不斷更新的產品為基礎,精心研發,設計制造熱載體工業自動化加熱爐,為用戶提供安全可靠,使用操作方便,高效節能和符合環保要求的工業自動化加熱爐。
聯系人:芮亞平
手機:13815029577
郵箱:czjnguolu@163.com
郵箱:13815029577@163.com
網站:www.czrsgl.com
公司地址:常州市新北區環保產業園環保八路1號
Copyright ? 2022 常州市上能鍋爐有限公司 版權所有 備案號: 蘇ICP備16068629號-4   技術支持:冉冉科技